搜索
全国服务热线:
15967734555
网站首页
关于我们
关于我们
公司简介
资质荣誉
企业文化
产品中心
产品中心
户内高压真空断路器
户外高压真空断路器
真空负荷开关
接地开关
隔离开关
六氟化硫断路器
综合类
高压开关设备系列
电缆分支箱系列
箱式变电站系列
高压负荷开关系列
高压隔离开关系列
高压接地开关系列
KYN28配套手车
PT手车
隔离手车
计量手车
下PT手车
KYN61配套手车
新闻资讯
新闻资讯
公司新闻
行业动态
产品应用
产品百科
客服中心
客服中心
客户服务
资料下载
联系我们
"navigation"
网站首页
关于我们
公司简介
资质荣誉
企业文化
产品中心
户内高压真空断路器
户外高压真空断路器
真空负荷开关
接地开关
隔离开关
六氟化硫断路器
综合类
高压开关设备系列
电缆分支箱系列
箱式变电站系列
高压负荷开关系列
高压隔离开关系列
高压接地开关系列
KYN28配套手车
PT手车
隔离手车
计量手车
下PT手车
KYN61配套手车
新闻资讯
公司新闻
行业动态
产品应用
产品百科
客服中心
客户服务
资料下载
联系我们
当前位置:
首页
>
产品中心
>
高压开关设备系列
>
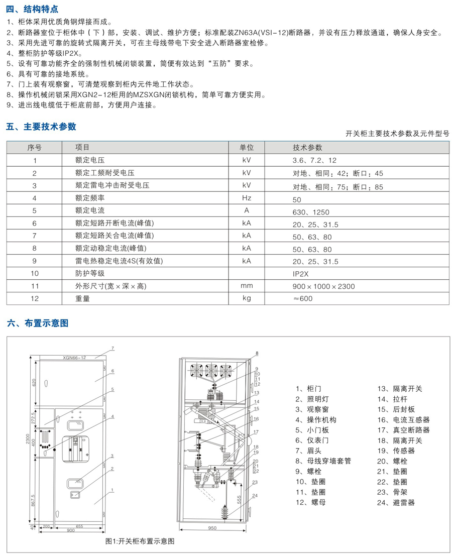
XGN66-12(Z)型固定式封闭开关设备
PRODUCT CENTER
产品中心
产品中心
XGN66-12(Z)型固定式封闭开关设备
上一个:没有了
下一个:
XGN2-12箱型固定交流金属封闭开关设备
返回>>
© 浙江超特电气科技有限公司
浙ICP备12035062号-2
友情链接:
VS1
VS1真空断路器
ZW8真空断路器
ZW20真空断路器
户内高压真空断路器
户外高压真空断路器
永磁断路器