LW8A-40.5T系列户外高压六氟化硫断路器
一、概述
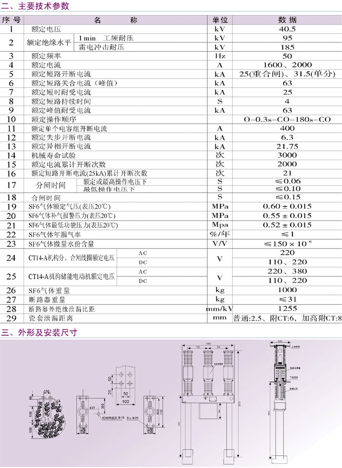
LW8A-40.5T型户外六氟化硫断路器是用于交流50HZ三相电力系统中的户外装置,供工矿企业,发电厂及变电所作控制和保护用。该产品可进行频繁操作,可作为联络断路器和切合电容器组、电抗器组断路器用。内附电流互感器可供测量与保护用,能直接替代SW2-35型少油断路器,配过渡支架可替代各种型号的多油断路器,是35kV电力系统中较为理想的无油化断路器。
一、概述
LW8A-40.5T型户外六氟化硫断路器是用于交流50HZ三相电力系统中的户外装置,供工矿企业,发电厂及变电所作控制和保护用。该产品可进行频繁操作,可作为联络断路器和切合电容器组、电抗器组断路器用。内附电流互感器可供测量与保护用,能直接替代SW2-35型少油断路器,配过渡支架可替代各种型号的多油断路器,是35kV电力系统中较为理想的无油化断路器。